Katalysatoren voor auto's
MAZDA
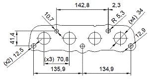
Katalysatoren voor auto met referentie AS 25157
25157
- Originele ref.:
P5682050X P5682050XA




Ø 50,7 ext.
| Merk | Model | Datum |
|---|---|---|
| MAZDA | 2 1.5i 16V 1496 cc 55 Kw / 75 cv P5 | 8/14> |
| MAZDA | 2 1.5i 16V 1496 cc 66 Kw / 90 cv P5 | 8/14> |
| MAZDA | 2 1.5i 16V 1496 cc 85 Kw / 116 cv P5 | 8/14> |
Zoek op referentienummer

