Catalytic converters for cars
MAZDA
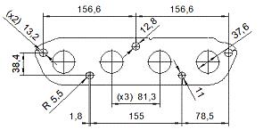
Catalytic converter for cars with AS part no. 25150
25150
- OE references:
PE232050X




Ø 60,5 ext
| Make | Model | Date |
|---|---|---|
| MAZDA | 6 2.0i 16V 1998 cc 107 Kw / 145 cv PE (1) | 10/12>10/14 |
| MAZDA | 6 2.0i 16V 1998 cc 107 Kw / 145 cv PE | 11/14> |
| MAZDA | 6 2.0i 16V 1998 cc 121 Kw / 165 cv PE | 11/14> |
| MAZDA | 6 2.0i 16V 1998 cc 121 Kw / 165 cv PE (1) | 10/12>10/14 |
Search by reference

