Saltar al contenido principal

Catalizadores para coches

MAZDA

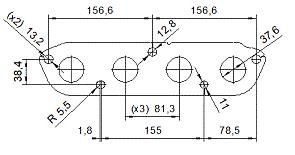
Catalizador para coche con referencia AS 25134

25134

Kit de montaje
PK1237
Diagnóstico a bordo
Gasolina
Longitud
730
Peso
7.90
Anterior
Euro 5
Euro 6
(1)
  • Orig:
    PE692050X
Ø 60,5 ext
Marca Modelo Fecha
MAZDA 3 2.0i 16V 1998 cc 88 Kw / 120 cv PEY7 (1) 3/15>
MAZDA 3 2.0i 16V 1998 cc 88 Kw / 120 cv PEY7 7/13>3/15
MAZDA 3 2.0i 16V 1998 cc 121 Kw / 165 cv PEY7 7/13>3/15
MAZDA 3 2.0i 16V 1998 cc 121 Kw / 165 cv PEY7 (1) 3/15>

Certificado de homologación
Descargar

Ficha de producto en PDF
Descargar

Consulta por número de referencia