Partikelfilter für Fahrzeuge
MAZDA
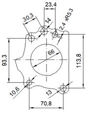
Partikelfilter für Fahrzeuge mit Artikelnummer FD5275
FD5275
- Original-Artikelnummer:
SH022050XA SH022050XB SH022050XD SH022050XE SH022050XF SHY32050X SHY42050X



Ø 60,0 ext
| Marke | Modell | Datum |
|---|---|---|
| MAZDA | CX-5 2.2TD AWD DPF 2191 cc 110 Kw / 150 cv SH | 4/12>2/17 |
| MAZDA | CX-5 2.2TD AWD DPF 2191 cc 129 Kw / 175 cv SH | 4/12>2/17 |
Nach Artikelnummer konsultieren


