Zu Hauptinhalt

Partikelfilter für Fahrzeuge

MAZDA

Partikelfilter für Fahrzeuge mit Artikelnummer FD5266

FD5266

Montagesatz
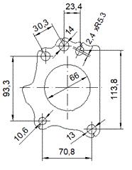
PK1417
On Board Diagnose
Diesel
Cordierit
Länge
720
Gewicht
8.10
Euro 6
  • Original-Artikelnummer:
    SH012050XF SH332050X SH852050XA SH862050XA SHY22050X SHYC2050X SHYD2050X SHZ82050X
Ø 60,0 ext
Marke Modell Datum
MAZDA 3 2.2TD 2WD DPF 2191 cc 110 Kw / 150 cv SH 7/13>5/19
MAZDA 6 2.2TD 2WD DPF 2191 cc 110 Kw / 150 cv SH 10/12>11/20
MAZDA 6 2.2TD 2WD DPF 2191 cc 129 Kw / 175 cv SH 8/12>2/18
MAZDA CX-5 2.2TD 2WD DPF 2191 cc 110 Kw / 150 cv SH 3/13>2/17
MAZDA CX-5 2.2TD 2WD DPF 2191 cc 129 Kw / 175 cv SH 3/13>2/17

Zulassungszertifikat
Herunterladen

Produktdatenblatt als PDF
Herunterladen

Nach Artikelnummer konsultieren